А что там свежего в группе ВК СамЭлектрик.ру?
Подписывайся, и читай статью дальше:
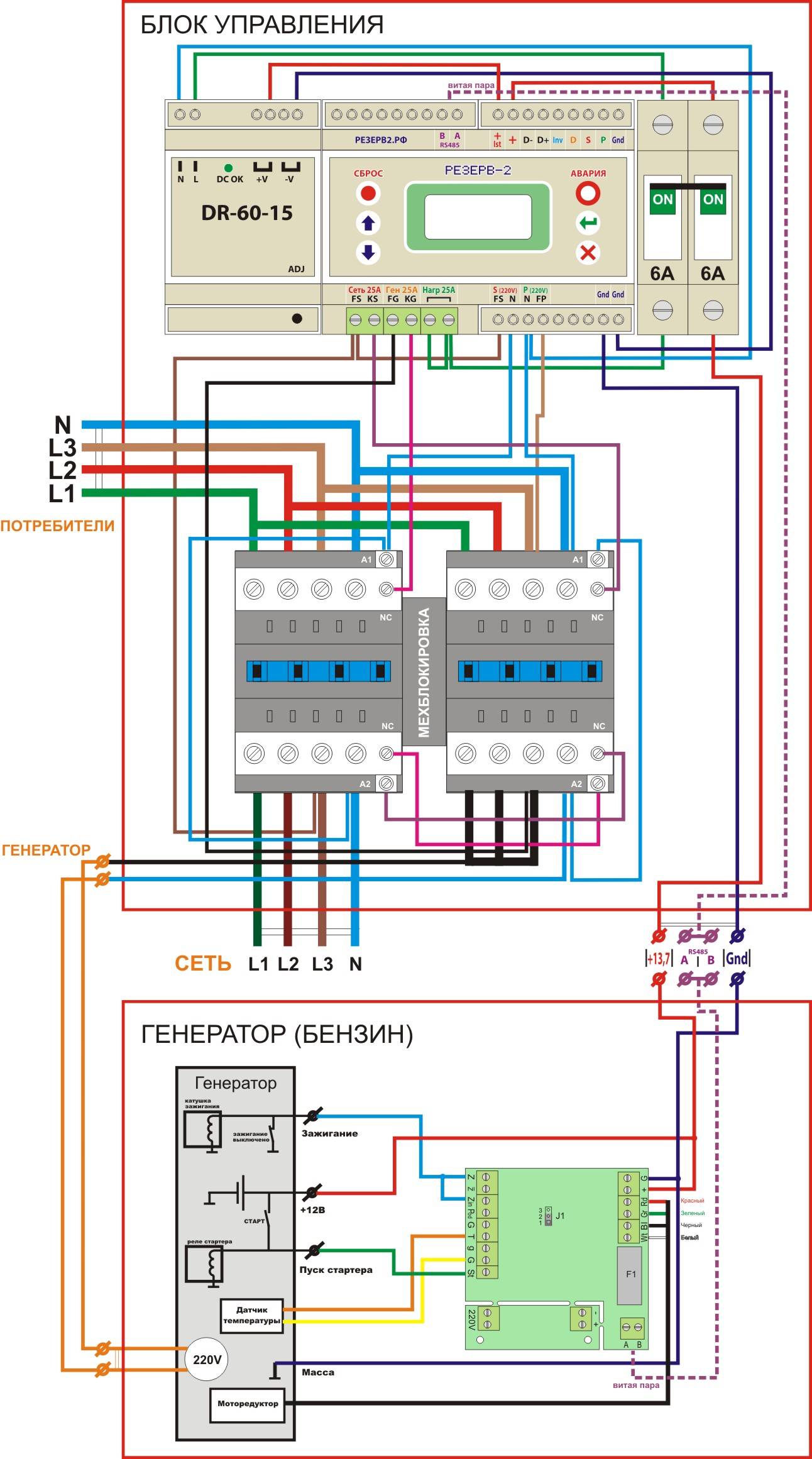
Самое главное – при работе генератора автомат №1 должен быть обязательно выключен!
Получается, что генератор теперь подключен в специальную розетку, на стене летней кухни. При работе генератора напряжение в него попадает на летнюю кухню, и затем – на автомат 2, а потом на автомат 3 и в дом.

Установлены новые защитные автоматы
В середине стоит индикатор на 220В, который подключен ДО вводного автомата, сразу после счетчика. Таким образом, я могу даже днём сразу узнать, что на улице дали свет, выключить генератор, и подключить питание с улицы автоматом 1.

Подключение автоматов
В результате, получилась такая симпатичная конструкция:

Электрощиток со счетчиком и автоматами
Схема подключения генератора к домашней сети
Главный секрет безопасности – в соблюдении этих простых правил включения генератора. Я их повесил перед счетчиком, чтобы не забыть. К тому же меня может не быть дома, жена будет включать)
1. Выключить ВВОД (автомат 1)
2. Пойти к генератору, подключить его к спец.розетке.
3. Проверить, чтобы выключатель нагрузки на генераторе был выключен. Также, чтобы вся мощная нагрузка в доме была выключена.
4. Запустить генератор, дать ему прогреться и выйти в режим не менее 30 секунд.
5. Включить автомат на генераторе.
6. Поочередно включить необходимую нагрузку.
1. О появлении напряжения на уличной линии сигнализирует красный индикатор под счетчиком.
2. Выключить мощную нагрузку
3. Выключить генератор, выключить выключатель нагрузки у него на выходе.
4. Вытащить вилку генератора из розетки.
5. Включить вводной автомат №1.
Привожу несколько фото инверторного генератора Электроприбор БЭГ-3100.

Бак для бензина. Индикатор уровня и крышка

Фильтр воздухозаборника

Топливный кран

Ручной стартер

Залив масла
Плюсы расписывать не буду, а из минусов:
1. Неудобная система заливки масла
2. Очень громкая работа. Сравнивал на ощущение, работает по громкости, как обычный генератор.
3. Отсутствие защитного автомата на выходе генератора, есть только электронная защита.
На всякий случай привожу схему генератора и чертёж.
Электрическая схема инверторного генератора Электроприбор БЭГ-3100
Сборочный чертеж и каталог запчастей инверторного генератора Электроприбор БЭГ-3100
В заключение – фото, как у нас на рынке продают картошку)

Генератор питает ларёк и весы
Тут всё проще, не надо никакой схемы подключения).
Всем спасибо за внимание, прошу голосовать за меня!
Выкладываю видео, в котором коллега подробно рассказывает, как подключать генератор к дому Рекомендую!
Использование автозапуска
Чтобы упростить перевод дома на резервное электроснабжение, рекомендуем подключить генератор к сети дома через АВР – систему автозапуска. Принцип работы автоматики следующий:
- АВР постоянно следит за напряжением в сети.
- Если напряжение пропадает, контактор размыкает цепь, которая связываем АВР со стационарной электросетью.
- Включается стартер и электростанция начинает работу.
- Когда двигатель выйдет на нужные обороты, контактор замыкает цепь потребители – электростанция.
Когда вновь возобновится питание на участке, АВР сработает в обратном порядке: контактор разомкнет связь с генератором и переключится на стационарное электроснабжение. Какое то время домашняя электростанция проработает вхолостую.
Ошибки при подключении резервного питания
Нельзя присоединять портативные электрические станции, если автомат в щитке ввода отключен. К сожалению, многие делают это, не подозревая, что такой шаг может привести к короткому замыканию, или даже пожару. Почему так случается? Всё просто. Мощность резерва в разы больше пропускной способности стационарной проводки. К примеру, для большинства розеток, оптимальный показатель составляет 3,5 кВт. После контакта с очень мощным оборудованием они могут не выдержать, в результате чего генератор выйдет из строя и перестанет подлежать восстановлению. Тем не менее, эффективные способы подключения мини-электростанций к домашней сети всё-таки есть.
Установку можно подключить к домашнему распределительному щиту, но при условии, что показатели мощности нагрузки сопоставимы с допустимыми, а подключение выполнено исключительно к контактам рубильника со стороны генератора. Разумно применить удлинитель, а после этого вставить в розетки остальные приборы. Такой метод позволит избежать короткого замыкания через прямое воздействие с домашней сетью. Если речь идёт об обустройство резервного питания в загородных домах или на даче, то эксперты рекомендуют отдать предпочтение следующим методам подключения:
- с помощью рубильника;
- с помощью реверсивного переключателя;
- с помощью системы автоматического запуска резерва.
Мы уверены, что Вам будет полезна статья о том, как выбрать разрядник для защиты от перенапряжения.
Необходимое оборудование
Чтобы технически правильно соединить генератор с сетью дома, нужно не так много приспособлений. Вот лишь некоторые требования, которые выполняют в обязательном порядке:
Подключение генератора к дому
- Обеспечение отдельного ввода. Рекомендуется выбирать для этого медные провода, обладающие сечением не менее 4 мм2. Их прокладывают, начиная с вводно-распределительного устройства, и заканчивая специально оборудованным местом установки.
- Перекидной рубильник. В последнее время появилось большое количество подобных устройств, которыми можно пользоваться в личных нуждах. Главное — выбирать монтаж на 35-миллиметровую DIN-рейку, это одно из самых универсальных решений. TDM-63 — пример самых дешёвых марок. Но есть более добротные и надёжные устройства — E200 от ABB, SFB от Hagger. Производители сами часто составляют инструкции, описывающие, как подключить генератор к сети дома.
Важно! Схема включения и соединения у большинства устройств отличается универсальностью, простотой. Общая шина отходящих нагрузок чаще подключается на нижнюю часть. Два отдельных ввода подключают с обратной стороны, где парные контакты
У клавиши управления в целом три положения. Цепи разомкнуты, когда оно среднее. Любые производители сейчас допускают производство многополюсных устройств. Это облегчает работы с трёхфазными сетями, системами зануления или заземления повышенной сложности
Два отдельных ввода подключают с обратной стороны, где парные контакты. У клавиши управления в целом три положения. Цепи разомкнуты, когда оно среднее. Любые производители сейчас допускают производство многополюсных устройств. Это облегчает работы с трёхфазными сетями, системами зануления или заземления повышенной сложности.
Трёхпозиционный или перекидной рубильник имеет главный принцип в своей основе — выключатель нагрузки. Это приводит к тому, что конструкции изначально не предусматривает теплового или электромагнитного расцепителя. Каждый ввод требует дополнительной защиты с помощью автомата. Предельный ток у последнего определяют с опорой на допустимую нагрузку по питающей линии
Не важно, к какой шине организовано подключение
Пара двухполюсных автоматов может применяться для самостоятельного изготовления простейшего варианта перекидных устройств. Нужно только выполнить несколько простых действий:
- Поставить приспособления рядом.
- Один переворачивают вверх ногами.
- Затем вместе сцепляют клавиши, для чего в штатное отверстие вставляют стальной штифт. Правило актуально для любых видов генератора электрического тока.
Соединение устройств с сетью
Выбор
Покупатель должен с самого начала определить, какие технические параметры для него — самые важные. Стоит присмотреться к таким показателям:
- Масса.
- Габариты.
- Мощность.
- Потребление топлива.
- Уровень шума.
- Длительность работы.
Автоматизация и цена вопроса — параметры, к которым тоже присматриваются
Это важно для тех, кто интересуется, как подключать генератор к сети дома, схема которой размещается на специализированных сайтах
Работа генераторов
По параметрам
Многие сначала ищут ответ на вопрос о том, сколько фаз должно быть у генератора для максимально удобной эксплуатации. Для этого нужно понять, какие электроприборы будут подключаться. Трёхфазные варианты допускают соединение как с одно-, так и с трёхфазными приборами. Однофазные сочетаются только с одним видом потребителей. Но это не означает, что модели с большим количеством фаз станут лучшими при любых обстоятельствах.
На каждой фазе максимальная нагрузка должна составить не более 30%. Значит, реально владельцы не смогут использовать больше трети от номинальной мощности, которой изначально обладает розетка. Например — номинальная мощность трёхфазного генератора равна 6 кВт. Значит, не более 2 кВт можно снять с обычной розетки на 220 В. Нагрузки всё равно требуется распределять по нескольким фазам при подключении однофазного генератора к трёхфазной сети дома.
Вам это будет интересно Все об подсветке потолка
Обратите внимание! Для мощности также проверяют параметры приборов, которые планируется подключать
При этом важно иметь запас хотя бы на 20-30%. Иначе можно столкнуться с такими проблемами, как перегрузка и остановка работы
Топлива тоже будет расходоваться слишком много
Иначе можно столкнуться с такими проблемами, как перегрузка и остановка работы. Топлива тоже будет расходоваться слишком много.
Работы по подключению
По типу
Выпускаются синхронные и асинхронные разновидности устройств. Выбор предполагает внимательное изучение характеристик каждой из существующих моделей.
Устройство сети
Асинхронные
Главная их проблема — неспособность воспринимать так называемые пиковые нагрузки. Хотя и эти приборы можно использовать для сохранения нормальных показателей по напряжению. Они подходят для совместной эксплуатации с техникой, чувствительной к перепадам по напряжению:
- Электронные устройства.
- Вычислительная техника.
- Медицинские приборы, поддерживающие бензиногенераторы.
Остаточная намагниченность ротора — главный источник энергии для таких приспособлений. Поэтому срок службы у асинхронных генераторов больше, чем у ближайших аналогов. Они не требуют применения систем с охлаждением, корпус агрегата полностью закрытый. Благодаря этому защита от пыли и влаги гарантирована в полном объёме.
Интересно! Асинхронный генератор невосприимчив к коротким замыканиям. Поэтому для сварочных аппаратов этот источник энергии — оптимальное решение. Но к перегрузкам подобные устройства могут быть весьма чувствительными. Поэтому запрещается их подключать к приспособлениям с первоначально высокими пусковыми токами.
Устройства с автозапуском
Синхронные
Качество тока в данном случае более низкое, если сравнить с предыдущим вариантом. Подходят, чтобы организовать аварийное питание при различных обстоятельствах:
- Офисы.
- Холодильные установки.
- Электрооборудование в дачах, загородных домах.
- Строительные объекты.
Есть у таких приборов и некоторые положительные качества:
- Устойчивость к кратковременным перегрузкам.
- Способность нормально переносить пиковые нагрузки, в том числе — при механической нагрузке.
Но защищённость от влаги с пылью и грязью хуже, чем у асинхронных конструкций. Ведь для охлаждения таким генераторам требуется пропустить через себя определённое количество воздуха. Синхронный генератор понадобится, если применяются приборы, работающие с реактивной нагрузкой. Тогда мощность будет меньше.
Перекидные рубильники
Фазность
О ней уже было сказано выше. Покупать трёхфазные генераторы стоит только при наличии в доме потребителя с соответствующими характеристиками. Если же все приборы однофазные — то и генератор выбирается такого типа. Это касается даже ситуаций, когда есть трёхфазная сеть, соединённая с домом.
Соединение с сетью
https://youtube.com/watch?v=QCtzlFM-QLY
Как правильно подключить генератор к сети дома
Подключение электростанции к домашней сети возможно несколькими способами. Популярным вариантом является подключение резерва сети через перекидной рубильник или пакетник.

Как подключить генератор к сети дома
Для случая автоматического подключения электростанции с автозапуском используют систему АВР (автоматический ввод резерва). Также возможно подключение различных бытовых приборов через удлинитель с несколькими розетками. В этом случае сечение кабеля удлинителя рассчитывается по суммарному току нагрузок.
Установка перекидного рубильника
Самый простой способ подключения электрогенератора к дому — это установка перекидного рубильника или пакетного переключателя. Пакетный переключатель устанавливается на DIN рейку в электрощите дома. Рубильник ставят возле электрощита.
Внешнюю электрическую сеть подключают к верхним контактам рубильника, а нижние контакты используются для подключения кабеля от электростанции. На средние вывода подключают вход домашней сети. После монтажа и подключения перекидного рубильника одевают защитный корпус.

Подключение генератора через рубильник и автоматический ввод резерва (АВР)
Рекомендуется подключать рубильник после электросчетчика и до водного автомата. При исчезновении напряжения сети заводят генератор. После прогрева двигателя перекидной рубильник переводят в нижнее положение (на контакты, идущие к генератору). После появления сети, рубильник переводится в верхнее положение и заглушается электростанция.
Подключение электростанции через АВР
Для автоматического контроля электросети и автоматический переход на резервный генератор, при исчезновении сети, существует устройство АВР с автозапуском электростанций. Система АВР контролирует электросеть и при ее исчезновении отключает магнитный пускатель от сети, включает автозапуск генератора.
При достижении генератором номинальных оборотов включается другой магнитный пускатель, который подключает домашнюю сеть к электростанции. При возобновлении сети, АВР отключает домашнюю сеть от генератора и подключает другой пускатель к внешней сети.

Подключение 3-х фазного генератора к трехфазной сети дома
Этот переход с резервного генератора происходит не сразу после появления сети, а с некоторой выдержкой времени, пока внешняя сеть не станет устойчивой. Для случая трехфазных сетей, рекомендуется устанавливать однофазный генератор, а к нему подключать все необходимые бытовые приборы и технику по отдельной резервной электропроводке с перекидным рубильником.
В частном доме АВР не всегда себя оправдывает, так как его приходится всегда контролировать. С таким же успехом можно пользоваться перекидным рубильником, а электростанцию запускать вручную. Пользоваться рубильником рекомендуется при редких пропаданиях внешней сети.
Заземление электростанции
В целях электробезопасности, в случаях пробоя напряжения на корпус генератора, требуется подключение заземления. Для электростанций можно сделать простой контур заземления. Отрезок стальной трубы, штырь или металлический стержень диаметром 20 мм и 1,5 метра в длину, забивают до конца в землю.

Заземление генератора
На конце заземлителя необходимо приварить болт для заземляющего проводника. В качестве проводника используют медный многожильный гибкий провод 4-6 мм², с наружной изоляцией.
Место установки электростанций должно быть выбрано с учетом пожарной безопасности, шумности, атмосферных осадков и температуры помещения.
Помогла вам статья?
ДаНет
Отвод отработанных газов
При установке аппарата внутри дома необходимо предусмотреть отвод выхлопных газов. Для этого используют гофрированную трубу, выполненную из нержавеющей стали. Для экономичности гофрированную часть можно сочетать со стальной трубой.
Эта часть установки должна быть реализована особенно тщательно, так как ошибки или мелкие недоработки могут повлечь за собой печальные последствия.
Как видно, недостаточным является просто определиться, какой генератор лучше, и приобрести его. Необходимо осуществить грамотную установку и подключение. Только тогда можно быть уверенным в бесперебойной и безопасной работе электричества в доме.
Никогда не делайте этого в церкви! Если вы не уверены относительно того, правильно ведете себя в церкви или нет, то, вероятно, поступаете все же не так, как положено. Вот список ужасных.
10 загадочных фотографий, которые шокируют Задолго до появления Интернета и мастеров «Фотошопа» подавляющее большинство сделанных фото были подлинными. Иногда на снимки попадали поистине неверо.
Эти 10 мелочей мужчина всегда замечает в женщине Думаете, ваш мужчина ничего не смыслит в женской психологии? Это не так. От взгляда любящего вас партнера не укроется ни единая мелочь. И вот 10 вещей.
Что форма носа может сказать о вашей личности? Многие эксперты считают, что, посмотрев на нос, можно многое сказать о личности человека
Поэтому при первой встрече обратите внимание на нос незнаком
13 признаков, что у вас самый лучший муж Мужья – это воистину великие люди. Как жаль, что хорошие супруги не растут на деревьях. Если ваша вторая половинка делает эти 13 вещей, то вы можете с.
Наперекор всем стереотипам: девушка с редким генетическим расстройством покоряет мир моды Эту девушку зовут Мелани Гайдос, и она ворвалась в мир моды стремительно, эпатируя, воодушевляя и разрушая глупые стереотипы.
Схемы с АВР
Подключение генератора Генератор должен быть хорошо защищен от влаги. Данный тип подключения бензинового или дизельного генератора к существующему объекту позволяет подключить генератор, как с ручным запуском, так и генераторы оборудованные электростартером.
Широкое распространение получили бензиновые генераторы. Трехфазные двигатели на генераторах малой мощности используются очень редко в частных домах из-за своей дороговизны и непрактичности, такие генераторы обычно используют на стройках для подключения трехфазного оборудования и машин. На следующем этапе требуется запустить вручную генератор.
Есть стационарные варианты, которые рассчитаны на очень большую нагрузку. Нестабильная подача электроэнергии приводит к проблеме — как подключить генератор к домашней сети.
При использовании однофазного генератора следует учесть, что если есть трехфазные приборы, их необходимо отключить от питания на время работы от генератора, так как это может привести к выходу из строя данных приборов. Некоторые хозяева используют частичную автоматизацию — основное питание подключено через контактор. В этом случае можно обеспечить питание всех розеток и выключателей в доме, если проводка рассчитана на мощность генератора. Когда восстановится напряжение во внешней сети, резерв отключается и домашняя сеть переходит в обычный режим работы.
В случае же применения блока автоматического запуска генератором — АВР, без использования контакторов вам не обойтись. Для реализации этого алгоритма потребуются четыре временных реле, столько же электромагнитных пускателей и магнитных толкателей с выключателями на концах.

Перед тем как подключить генератор к сети дома с автозапуском, автоматика выжидает 10 секунд после потери напряжения. Если напряжение пропадает, контактор размыкает цепь, которая связываем АВР со стационарной электросетью. Установка двух контакторов, где один подключает питание от городской сети, а другой — от резервного источника. При этом не забыть о заземлении, для которого также предусматривается определенное место.
Подключение генератора с АВР к сети дома — это удобное решение, хотя и дорогостоящее. При этом отключаются автоматы, чтобы обезопасить приборы от центральной сети питания.
На следующем этапе требуется запустить вручную генератор. В некоторых случаях есть возможность использовать генератор в качестве подпитки при возникновении пиковых нагрузок. Теперь, в случае переключения нагрузки на генератор, на все три фазы будет поступать электричество. Подключается рассматриваемое оборудование всегда после счетчика, иначе придется платить и за резервный источник энергии. Использование автозапуска Чтобы упростить перевод дома на резервное электроснабжение, рекомендуем подключить генератор к сети дома через АВР — систему автозапуска.
Подключение генератора к домашней сети.Схема.
Ввод№1+генератор (резерв)
Ну и напоследок рассмотрим чаще всего применяемую схему АВР для частного дома – ввод№1+генератор.
Далеко не все имеют два независимых ввода, плюс еще и ДГУ. Зато наличие отдельно генератора у владельцев особняков, не такая уж и большая редкость.
Основное эл.снабжение осуществляется от первого ввода. Принцип работы здесь такой же как и рассмотренный выше.

При изменение параметров напряжения на выходе за его номинальные значения (резко упало или повысилось, исчезло), происходит смена источника оперативного напряжения. Контакт КМ3.1 размыкается, а контакт КМ3.2 замыкается.
Также размыкаются контакты 22 и 24. Пускатель QF2 выключается. Спустя три секунды AVR 02 дает сигнал на запуск генератора. После его прогрева, происходит замыкание контактов 22-26. Подается напряжение на катушку КМ2 и включается пускатель QF8.
Вся нагрузка переводится на генератор.
Опять же, спустя установленное время, происходит замыкание №22-№24, после чего включается КМ1 и QF2. Питание восстанавливается от основного ввода. При этом контакты 29-30 будут замкнуты пока генератор не охладится.
Время расхолаживания ДГУ лучше выставлять в районе 3-5 минут.
Способы подключения бензинового генератора тока к дому
Различают 3 способа, как подключить бензогенератор к сети дома:
- С использованием перекидного рубильника;
- С частичной автоматизацией;
- С установкой блока, управляющим генератором автоматически.
Первый способ простой, но требует ручного переключения режимов питания. Во втором случае схема подключения бензогенератора к домашней сети сложнее, но она является полуавтоматической. Если включать режим питания от генератора нужно вручную, то при появлении тока в общей сети нагрузка сама переходит на центральную электросеть. Последний способ самостоятельно перекидывает нагрузку с общей сети на генератор и, наоборот, в зависимости от наличия напряжения в центре. Но он сложен.
Если речь идет о маломощных генераторах, которые могут поддерживать работу только одного потребителя, то приборы подключаются прямо. Такие агрегаты должны быть переносными, в противном случае понадобится удлинитель. Вилку от прибора нужно включить в розетку генератора, или в удлинитель, идущий от него.
Способ 1
Удобно, что метод не дает возможности запитать дом одновременно от генератора и центральной сети. Рубильник, через который идет подключение сетей, может иметь одно из трех положений:
- 1 – подача питания от промышленной сети;
- 0 – электропитание не подается;
- 2 – подача энергии от бензогенератора.

У рубильника есть три уровня контактов: верхние, средние и нижние. К верхним подключите центральную сеть, а к средним – домашние энергопотребители. К нижним контактам подсоедините сам генератор электрического тока.
А теперь о том, как действовать при отключении центральной сети:
- Поставьте рубильник в положение «0»;
- Запустите генератор самостоятельно;
- Дайте время на разогрев;
- Переведите рубильник в положение «2».
Если в общей сети появилось напряжение, то сначала нужно отключить питание совсем (положение «2»). Затем вручную отключают генератор тока. И только после этого можно включить питание от общей сети.
Способ 2
Он основан на использовании полу-АВР (автоматического ввода резерва). Если не затрагивать конструкцию самого устройства, то процесс подсоединения выглядит так же, как и в предыдущем способе. Но принцип управления меняется:
- Если городское питание пропало, то вам придется подойти к агрегату, генерирующему ток, чтобы включить его;
- Дайте время на разогрев;
- Подключите бензогенератор с помощью контакторов полу-АВР.

Если же центральная подача электричества возобновится, то контактор автоматически отключится, и вся нагрузка падет на общую электросеть. Однако полуавтоматику можно немного улучшить, установив реле времени. Тогда ждать, когда же прогреется генератор, не нужно. Потому что реле все сделает за вас: когда агрегат разогреется, на него будет подана нагрузка.
Способ 3
А теперь самый оптимальный способ, как подключить электрогенератор к домашней сети – это переход на полную автоматику. Для подключения полноценного АВР нужна схема. Ее можно найти в инструкции с приобретенным устройством, а также на дверце щитка. Но она приведена и ниже на рисунке.






































