Как установить однофазный электросчетчик
Поэтому крепление таких аппаратов пломбировалось инспекторами Энергонадзора.
Нулевой провод от вводного автомата идет либо напрямую на второй контакт электросчетчика, либо на него же, но через устройство защитного отключения УЗО. Вариант установки счётчика зависит от нескольких технических моментов. Перед подключением ведь все равно придется снять защитную крышку контактов, а именно на внутренней ее стороне и показано расположение подключаемых проводов.
Как подключить счетчик электроэнергии в частном доме на улице Правила установки электросчетчика в частном доме на улице не отличаются от правил внутридомового монтажа. Перегрев самого оборудования, который в кратчайшие сроки выведет его из строя.
Подключение счетчика в подъезде Для начала нужно сделать ответвления от питающей линии. В этом случае вы сможете сэкономить на электроэнергии. Многотарифные электросчетчики Потребление электроэнергии неравномерное в разное время суток.
По современным требованиям щиток с электросчетчиком должен быть установлен снаружи дачи или коттеджа. Они более надежны, компактны, а результат измерений выводится на дисплей. За счет этого изготовитель гарантирует, что провода будут подсоединены правильно. Поэтому крепление таких аппаратов пломбировалось инспекторами Энергонадзора.
Схемы подключения приборов учета электроэнергии

Если считать эти клеммы слева направо, то первая клемма — это приходящая фаза, вторая клемма — выходящая фаза. Римскими цифрами указан квартал, а арабскими, на обратной стороне — год даты госповерки. Им разрешается только включать автоматы защиты в распределительном отделении, если они сработают от перегрузки или короткого замыкания. Чаще всего он устанавливается в коридоре или у входной двери.
Как самостоятельно сделать проводку в доме читайте тут. При помощи специального механизма на обратной стороне, его можно зафиксировать на верхней рейке внутри бокса. После этого подаётся напряжение, включается электрическая нагрузка в виде бытовых потребителей и визуально определяется работа счётчика. На следующем рисунке изображена схема подключения электросчетчика. Тем более что электросчетчика и автоматов силового шкафа это правило касается в первую очередь.
В квартирах монтаж электросчетчиков производится на лестничной площадке. Если эти приборы размещены в приватизированной квартире, в гараже, в бытовом помещении или в пределах границы коттеджного или дачного участка, то их установку, обслуживание и замену осуществляет владелец собственности.
Монтаж щитка ввода СИП и счетчика своими руками
Схемы подключения счетчиков полукосвенного включения
Выделяют несколько способов подключения:
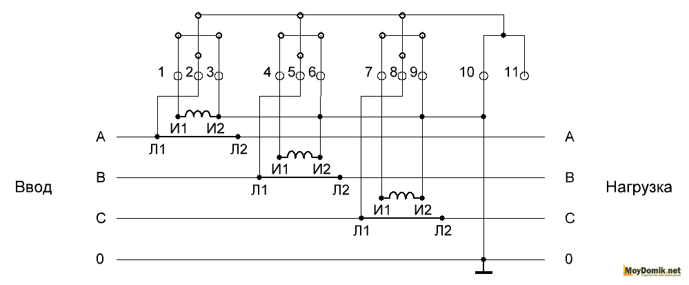
Десятипроводная схема подключения счетчика
Эта схема хороша тем, что здесь не связаны между собой цепи измерения тока и напряжения, что повышает ее электробезопасность. Однако, она требует большего количества проводов, чем другие схемы.

Десятипроводная схема подключения счетчика
Последовательность:
- Контакт 2 подключается на Л1 фазы А
- Контакт 3 подключается на И2 фазы А
- Контакт 4 подключается на И1 фазы В
- Контакт 5 подключается на Л1 фазы В
- Контакт 6 подключается на И2 фазы В
- Контакт 7 подключается на И1 фазы С
- Контакт 8 подключается на Л1 фазы С
- Контакт 9 подключается на И2 фазы С
- Контакт 10 подключается на нулевой провод
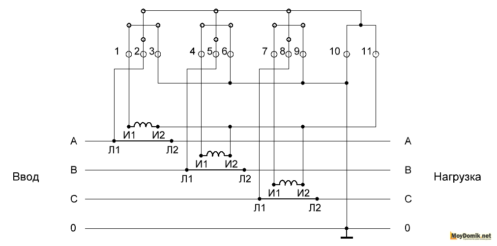
Схема с подключением трансформаторов тока в звезду
Позволяет сэкономить на монтаже вторичных проводов.

Схема с подключением трансформаторов тока в звезду
Последовательность выполнения:
- Контакты 3, 6, 9 и 10 замыкаются между собой и подключаются на нулевой провод
- Все контакты И2 замыкаются между собой и на контакт 11
- Контакт 1 подключается на И1 фазы А
- Контакт 4 подключается на И1 фазы В
- Контакт 7 подключается на И1 фазы С
- Контакт 2 подключается на Л1 фазы А
- Контакт 5 подключается на Л1 фазы В
- Контакт 8 подключается на Л1 фазы С
Подключение счетчика через испытательную клеммную коробку
По сути дела, повторяет десятипроводную схему подключения, только в разрыве между электросчетчиком и остальными элементами устанавливается переходная коробка, позволяющая безболезненно снимать и устанавливать учетный прибор.
Счетчики косвенного включения
Такие счетчики используются для учета расхода электроэнергии при напряжениях выше 6кВ, поэтому рассматривать их мы здесь не будем.
Правила и основные требования
В случае замены старого электросчетчика или установке нового на вновь возводимом объекте важно выполнять подключение в соответствии с основными требованиями нормативных документов. Поэтому на этапе планирования и проведения монтажных работ придерживайтесь следующих правил:
- Способ крепления электросчетчика должен обеспечивать его надежную фиксацию в вертикальной плоскости.
- В зависимости от способа установки и предполагаемых температурных режимов подбирается соответствующий тип электросчетчика согласно п.6.1 ГОСТ 31818.11-2012.
- Конструкция узла подключения электросчетчика должна предусматривать возможность ее опломбировки согласно п.5.2.1.2 ГОСТ 31818.11-2012.
Рис. 1. Опломбировка электросчетчика электроснабжающей организацией
- Для обеспечения длительной бесперебойной эксплуатации электросчетчик должен располагаться в отапливаемых помещениях с температурой не менее 0ºС, легко доступных местах для проверки показаний в соответствии с п.1.5.27 ПУЭ.
- Расположение электросчетчика должно осуществляться на высоте от уровня пола до зажимов в пределах от 0,8 до 1,7м. по п. 1.5.29 ПУЭ. В некоторых случая разрешается сделать подключение ниже 0,8м, но не менее 0,4м.
- При расположении электросчетчика в местах прохода, частого передвижения людей, возможных интенсивных загрязнений необходимо предусмотреть запирающийся шкаф или щит согласно п.1.5.30 ПУЭ.
Рис. 2. Запирающийся щит для установки электросчетчика
- В защитных кожухах и шкафах из непрозрачных материалов обязательно устанавливается прозрачное окно или несколько окон, обеспечивающих беспрепятственный контроль показаний в соответствии с п.5.3 ГОСТ 31818.11-2012.
- При установке зажимов величина оголенного участка провода должна рассчитываться таким образом, чтобы предотвратить несанкционированное подключение к цепям учета. Внутри клеммного ряда оголенные проводники располагаются таким образом, чтобы не соприкосновения линий разных потенциалов, контакта токоведущих элементов с конструктивными деталями, крышкой и корпусом в соответствии с п. 5.4 ГОСТ 31818.11-2012.
- Конструкция шкафа, его габариты и способ установки электросчетчика должны обеспечивать возможность беспрепятственной замены прибора учета при необходимости.
- Для предотвращения безучетного потребления согласно п.1.5.33 ПУЭ запрещено обустраивать пайку проводов до электросчетчика.
- Степень защиты электросчетчика должна выбираться в соответствии с п.5.9 ГОСТ 31818.11-2012. Рекомендуется при установке прибора учета внутри помещения выбирать модели не ниже IP51 и электросчетчики не менее IP54 для наружной установки.
- Токопроводящий кожух, корпус и металлическая крепежная арматура должны заземляться для предотвращения поражения электрическим током в ходе эксплуатации и обслуживания.
Пропускная способность электросчетчика обязательно подбирается в соответствии с планируемой нагрузкой. Расходуемая потребителем мощность не должна превышать номинал прибора учета.
Схема подключения однофазного электросчетчика
Вступление
Однофазный электросчетчик является самым используемым прибором учёта расхода (потребления) электроэнергии в жилых и общественных зданиях. Для квартир однофазные счетчики являются основными приборами учёта.
Зачем это нужно
Для начала отвечу на вопрос, зачем нужна схема подключения однофазного электросчетчика?
Чтобы ответить на этот вопрос, отвечу на другой. Можно ли самостоятельно или лучше так, разрешено ли самостоятельно менять электрические счетчики в квартире или доме?
Ответ я нашел в рекомендациях МосЭнерго. «Самостоятельная замена счетчика возможна. Однако…», далее следует агитация о вызове специалиста компании для квалифицированной замены счетчика, о чём я писал в статье: Сгорел счетчик – что делать.
Но факт есть, заменить электросчетчик самостоятельно вам запретить никто не может. Однако, если вы решили заменить электросчетчик самостоятельно, вам нужно по закону РФ:
- Заранее информировать обслуживающую организацию о времени планируемой замены электросчетчика. Это нужно для снятия пломб со счетчика и фиксации последних показаний;
- После окончания установки, опять обратиться в обслуживающую организацию, уже с заявлением на опломбирование нового электросчетчика и составление акта ввода устройства учёта в эксплуатацию.
Что будет, если вы не сообщите о самостоятельной замене электрического счетчика? Вас ждет акт о потреблении электроэнергии без учета и штрафы.
Схема подключения пускателя двигателя
Два типа счетчиков
На сегодня в жилом фонде РФ, используются два типа электрических счетчиков: современные электронные и устаревающие индукционные. Наблюдается явная тенденция, замены индукционных счетчиков на электронные, но я покажу схему подключения однофазного электросчетчика обоих типов.
Установка счетчика – общие замечания
Если квартира НЕ является коммунальной, то в квартире устанавливается один электросчетчик, который учитывает потребление электроэнергии во всей квартире.
Если квартира коммунальная, то в ней устанавливается общеквартирный счетчик (1) учета и контрольные счетчики учета для комнат (2).

На схемах однофазные счетчики обозначаются в виде квадрата с отсеченной частью и надписью Wh, возможно kWh.
Схема подключения однофазного электросчетчика индукционного
Во-первых, особенность индукционного счетчика, это наличие в конструкции токовой обмотки
Важно, чтобы фаза проходила через эту токовую обмотку
Во-вторых, согласно ПУЭ () электрический счетчик должен быть защищен со стороны ввода (подключения) и со стороны потребителей (вывода) автоматами защиты или предохранителями, если последние предусмотрены.
Хотя установка защитных аппаратов со стороны нагрузки в ПУЭ (гл. 1.5) явно не прописаны, есть ссылка на гл. 2.1, 3.4 и установка автоматов зашиты или предохранителей для групп электропроводки должна быть произведена.
15 схем установки УЗО Типовой проект электрики
Схема подключения однофазного электросчетчика электронного
Однофазные электронные счетчики учета, подключаются аналогично индукционным счетчикам:
- Фаза приход;
- Фаза к нагрузке;
- Ноль приход;
- Ноль к нагрузке.
Неправильное подключение электрических счетчиков
В начале статьи, я упомянул, что через токовую обмотку счетчика должна проходить фаза, а не ноль. Так вот, если сделать наоборот, то получим схему воровства электроэнергии, что незаконно.
Вывод
Если вы не знаете как определить фазу и отличить фазу от нуля, не занимайтесь самостоятельной заменой электросчетчика.
Необходимость в трёхфазном учете
Согласно требованиям действующих нормативов, при возрастании величины потребляемой объектом мощности до значений 15-20 кВт и выше должна применяться трехфазная система питания. Объясняется это тем, что при указанных мощностях величина электрического тока в цепях может достигать 70-ти Ампер, что считается недопустимым для городских квартир.
Дополнительная информация. Для обеспечения нормального режима работы многоквартирной сети потребуется электрический кабель с сечением жил порядка 10 мм², монтаж которых практически невозможен в реальных условиях.
При данных показателях потребления действующими положениями ПУЭ предписывается использование системы энергоснабжения, рассчитанной на 380 Вольт. Учёт расходуемой энергии в этом случае обеспечивается подключением трехфазного электросчетчика непосредственно в питающую цепь.
Потребляемая при этом мощность распределяется между тремя фазными жилами, вследствие чего ток в каждой из них снижается примерно до 2,5 Ампер. Благодаря такому подходу, сечение жил подводящего кабеля, к которому подключается вся электросеть, можно будет уменьшить до значения порядка 2,5 мм².
Зависимость сечения проводников от протекающего по ним тока или от потребляемой нагрузкой мощности представлена в отдельной таблице (смотрите https://elquanta.ru/schetchiki/podklyuchenie-schetchika.html). Понятно, что при уменьшении этого параметра снижается и стоимость всей электропроводки, а также существенно упрощается ее монтаж.
Переход на современную и универсальную трехфазную схему питания предпочтителен и с точки зрения поддержания требуемого температурного баланса, обеспечивающего безопасные условия эксплуатации всей системы электроснабжения.
Естественно, что этот способ организации электропитания и учёта в частном доме потребует значительных по величине материальных издержек. Так что всем желающим воспользоваться преимуществами трехфазного подключения необходимо заранее определиться со своими финансовыми возможностями.
Основные технические требования к установке
Все работы должны производиться при обесточенной сети, отключение делают на главном распредщитке, ВРУ. Наличие напряжения проверяют обычным мультиметром, вольтметром, указателями (отвертками-индикаторами).
Пред тем как установить электросчетчик, надо хотя бы в общем ознакомиться с нормами по проводке. Сечение жил ввода в квартиру по п. 7.1.34 ПУЭ должно быть не меньше 2.5 мм², материал — медь. Стандартно используют 6 мм². Но это не строго фиксированная характеристика — ее значение зависит от совокупной мощности электроприборов в доме.
Если предполагаемое потребление всех одновременно включенных устройств составит до 10 кВт, то потребуется 6 мм². Если есть мощные водогреи и подобные агрегаты, мощность которых может достигать 5 и больше кВт, то подбирают большее сечение, оборудуют трехфазную сеть. В любом случае рекомендовано брать жилы с запасом около 20 %. Но надо смотреть, чтобы вводной кабель не слишком превышал толщину внутренней проводки, так как это может быть небезопасно. Электросчетчик в квартире, его номинал также должен соответствовать токовым нагрузкам с запасом.
Уже действующую алюминиевую проводку в старых зданиях использовать разрешено, но она менее качественная, более ломкая: ток для меди 8 А/1 мм, для Al — 10 А/1 мм; 2.5 мм² первой соответствует около 4 мм² второй. Скрутки и пайки на жилах ввода не допускаются. Не надо путать сечение (в квадратах) и диаметр проводника — это разные понятия, хотя иногда они обозначаются значком ∅.
Самостоятельное подключение счетчика
Правильно подключить электрический счетчик самостоятельно довольно сложно и опасно. Для этих работ необходимо иметь лицензию и группу допуска не ниже третьей.
Требования закона
Подключение электросчетчика необходимо производить согласно правилам устройства электроустановок (ПУЭ) в следующем порядке:
- Монтаж и подключение приборов учета электрической энергии производить только сертифицированным инструментом.
- Счетчики должны устанавливаться в ящиках, на шкафах распределительных устройств, имеющие жесткие основания.
- Питание к розетке следует подключать через автомат.
- Размеры шкафов и ящиков должны обеспечивать комфортный доступ к приборам учета.
- Выбор сечения подключаемых проводников производится согласно проектной документации.
Набор инструментов и материалов для монтажа
Для производства монтажа и подключения счетчиков необходимо иметь простой набор инструмента:
- плоскогубцы;
- отвертку;
- индикатор;
- мегомметр;
- уровень строительный;
- лестницу;
- монтажный пояс.
Материалы выбираются согласно спецификации в проектной документации.
К материалам относятся:
- защитные автоматические выключатели;
- проводники и кабели;
- тросовая продукция.
Схема подключения счетчика
Схемы подключения счетчиков имеют два вида:
- прямого действия (ток нагрузки до 100 ампер);
- косвенного действия (через измерительные трансформаторы тока и напряжения).
Однофазного
Однотарифный счетчик двухпроводной сети подключаются по схеме прямого действия, приведенной ниже.
Принципиальная схема подключения однофазного счетчика
На схеме видно, что питание приходит на клеммы счетчика 1 и 3. Потребитель включается через автоматический выключатель или пробки на клеммы 2 и 4. Фазный и нулевой проводник необходимо соблюдать, т. к. счетчик будет работать некорректно.
На видео показано правильное подключение однофазного счетчика энергомера. Снято каналом energomera.
Трехфазного
Трехфазные счетчики могут подключаться как по схеме прямого действия, так и косвенного. Подключение прибора по схеме прямого действия похоже на схему подключения однофазного счетчика. Этот способ предназначен при потреблении тока до 100 ампер. Ниже представлена схема подключения счетчика прямого действия по четырехпроводному принципу.
Принципиальная схема прямого действия для трехфазного счетчика
Питание подключается к следующим клеммам:
- фаза А-1;
- фаза В-3;
- фаза С-5;
- нуль-8.
Потребительская нагрузка подключается на четные клеммы соответственно 2, 4, 6 и 8. Необходимо строго соблюдать порядок подключения и произвести фазировку напряжения.
На промышленных предприятиях применяется схема подключения косвенного действия, т. е. через измерительные трансформаторы тока и напряжения. Трансформаторы тока имеют вторичный ток при максимальной нагрузке 1 или 5 ампер. На вторичной обмотке напряжения значение составляет 100 вольт. Датчики тока и напряжения должны соответствовать классу точности и полярности подключения.
Ниже представлена схема косвенного подключения прибора учета электрической энергии.
Косвенное подключение трехфазного счетчика
Установка счетчика: основные правила
Установить счетчик следует согласно правилам устройства электроустановок (ПУЭ):
- Согласно проектной документации монтируется влагозащищенный шкаф для прибора учета электрической энергии на высоте 0,8-1,7 м от напольной поверхности. Но рекомендовано чтобы счетчик стоял на уровне глаз.
- Проводники необходимо использовать медные с сечением от 2,5 мм до 6 мм.
- Нельзя допускать скрутки и ответвление проводов.
- Установку счетчика своими руками производится с уровнем, чтобы угол наклона не превышал один градус.
- При подключении счетчика необходимо промаркировать провода. А также необходимо подключить защитные автоматические выключатели и произвести пломбировку прибора учета.
В случае отсутствия пломбы владелец может быть обвинен в хищении электрической энергии.
- Отключается вводной пакетник или автоматический выключатель для безопасного проведения работ.
- Выбирается щитовая и проводниковая продукция согласно проекту.
- Щит учета устанавливается на место монтажа.
- Производится монтаж счетчика на площадку шкафа. На DIN рейку монтируются счетчик, защитные автоматы и система УЗО.
- Подключение электросчетчика производится СИП проводниками согласно схеме. Фазировка должна быть соблюдена при монтаже.
- Опробование системы учета. Перед включением к сети необходимо произвести замер целостности изоляции с помощью мегомметра
- Опломбирование счетчика энергоснабжающей компанией.
Однофазные счётчики электроэнергии
В конце 80-х годов XIX столетия Оливер Шелленберг разработал прототип счётчика для переменного тока. Спустя год венгерский инженер Отто Титус Блати по заказу электротехнической производственной фирмы Ganz изобрёл прибор, измеряющий количество электричества в ватт-часах. А уже в начале 90-х годов Людвиг Гутман, усовершенствовав предыдущую модель счётного устройства, явил научно-техническому свету устройство измерения активной энергии переменного тока. Благодаря небольшой себестоимости и высокой надёжности производство этого вида счётчиков продолжается до сегодняшнего дня, несмотря на то, что параллельно набирает обороты выпуск более совершенных электронных приборов.
Все счётчики делятся на три группы, которые различаются:
- по конструкционным особенностям;
- способом включения в сеть;
- по типу измеряемых величин.
Виды счётчиков по типу измеряемых величин
- Однофазные. Измерительные устройства такого вида работают в диапазоне 220–230 В при частоте 50 Гц. Подавляющее большинство жителей планеты потребляют именно этот вид электрической энергии.
- Трёхфазные. Эти счётчики устанавливаются на промышленных объектах, оборудование которых работает в диапазоне 380–400 В.
В высоковольтных линиях электропередач, напряжение которых составляет от 660 В и выше, также применяются трёхфазные счётчики, но подключаются они вместе со специальными понижающими трансформаторами. Эти приборы измеряют ток с напряжением 100 В.
Разновидности приборов в зависимости от способа включения в электросеть
Различают:
- прямое, непосредственное подключение;
- через измерительный трансформатор.
Первый вариант — это подключение непосредственно в электрическую рабочую цепь. Счётчик устанавливается в месте перехода от канала электросети к потребителю. Используется последовательная схема. Второй вариант применяется в ситуациях, когда возможность прямого включения отсутствует или нежелательна. Например, в системе релейной защиты, где измерительный прибор нуждается в защите от очень высоких токов или напряжения. Подключение производится параллельно цепи.
Производят счётчики:
- индукционные;
- электронные;
- гибридные.
Индукционные счётчики
Индукционным считается прибор электромеханического действия, в котором неподвижная катушка индуцирует электромагнитное поле, вращающее подвижный диск, изготовленный из алюминия. Посредством шестерёнчатой (червячной) передачи вращение подвижного проводника передаётся на калиброванный счётный механизм. Происходит механический отсчёт количества оборотов диска и так определяется потребление ватт-часов пользователем.

Диск вращается под действием индукционного магнитного поля, и по числу его оборотов определяется потребление ватт-часов пользователем
Устройство имеет ряд эксплуатационных недостатков:
- высокая погрешность показаний;
- невозможность дистанционного снятия данных измерения.
Максимальный срок его службы — 6–8 лет. По истечении этого времени прибор нуждается в поверке, а при необходимости — в калибровке.

Принцип действия индукционного счётчика основан на генерации катушкой электромагнитного поля, вращающего подвижный алюминиевый диск
Электронные устройства
Это приборы для измерения потребления электроэнергии, принцип действия которых основан на воздействии переменного тока и напряжения на неподвижный электронный элемент. Он создаёт импульсы, фиксация и подсчёт которых (в прямой пропорции) отражает уровень потребления. В устройство счётного блока входит:
- электромеханический или электронный измерительный прибор;
- дисплей;
- блок памяти.

Подсчёт электроэнергии в электронном приборе производится в импульсном режиме
Важными преимуществами этого вида конструкции является возможность снятия показаний дистанционным способом и небольшие размеры. Электронные счётчики, обладающие необходимым объёмом памяти, способны работать в дифференцированном режиме, запоминая количество использованной электроэнергии в различные временные промежутки. Благодаря этой способности возможен многотарифный учёт в жилом и производственном секторе потребления.
Несомненно, будущее в сфере измерения потребления электроэнергии принадлежит электронным счётчикам. Индукционные приборы будут постепенно вытеснены и заменены более совершенной аппаратурой.
Законность самостоятельного подключения
Подключение квартирного электросчетчика без его опломбирования классифицируется законодательством РФ как безучетное потребление. Под ним понимается отсутствие договора с провайдером, самостоятельная установка или выключение устройства, непредоставление информации о количестве потребленных энергоресурсов. К нарушителю применяются санкции в виде штрафа в размере 4 тыс. руб. Основание – ст. 7.19 КоАП.
Согласно п. 81 (8-9) и п. 81 (14) Постановления Правительства № 354 граждане обращаются в представительство энергосбыта для подписания договора и установки контрольной пломбы. Только после установки пломб разрешено подключение счетчика.
Опломбирование – бесплатная процедура.
Прямое включение трёхфазного прибора
Наиболее простым способом подключения, который напоминает стандартную схему установки счётчика однофазного типа является прямое включение прибора контроля потребления электроэнергии. Основной отличительной чертой таких устройств является наличие большего количества клеммных контактов, чем в однофазных аналогах. В свою очередь, сам монтажный процесс трёхфазного прибора «Меркурий» заключается в определённой последовательности действий.
Читать также: Инверторный стабилизатор напряжения с двойным преобразованием
- Подводящие проводники зачищаются от изоляции и подключаются к защитному автоматическому выключателю трёхфазного типа.
- Сразу за автоматом выполняется подключение фазных жил в количестве 3 шт. к парным клеммным контактам начиная с правой стороны прибора. Соответственно вывод фазной проводки выполняется с нечётных зажимов.
- Подключение нулевого проводника выполняется соответственно к двум оставшимся контактам 7 и 8.
- Сразу за электрическим счётчиком монтируются трёхполюсные защитные автоматы.
- К счётчику «Меркурий» можно подключать и стандартное бытовое оборудование. С этой целью необходимо выполнить отводку однополюсного автомата от любого фазного провода и, естественно, от нулевой клеммы.
Если запланирована установка нескольких потребителей однофазного типа, то они должны равномерно распределяться, для чего подключаются через автоматы с разных фазных проводников, взятых сразу после электросчётчика.
Подключение электросчетчика с трансформаторами тока
Одной из важнейших характеристик любого электросчетчика является его номинальный ток. То есть ток, который прибор может не только посчитать, но и долговременно через себя пропускать. Если в вашем доме стоит очень мощное оборудование, а потребляемый им ток имеет большие значения, то подобрать подходящий электросчетчик не удастся – счетчиков для таких мощностей просто не существует в природе. Как тут быть? Выход из положения – установка трансформаторов тока (ТТ).
Как работает и для чего нужен
Основной задачей прибора является пропорциональное преобразование тока одной величины в ток другой. Конструктивно изделие представляет собой железный сердечник, на котором размещены две обмотки. Первая включается в разрыв сети, состояние которой нужно контролировать, а вторая – к электросчетчику. Электроэнергия, проходя по первой обмотке, будет наводить ЭДС во второй, а отношение токов в этих катушках будет пропорционально отношению количества их витков.
Принцип работы токового трансформатора
Если, к примеру, первичная обмотка имеет 2 витка, а вторичная 20, то введенный во вторичной обмотке ток будет в 10 раз ниже тока первичной. В этом случае говорят, что коэффициент трансформации прибора 10 к 1 (10/1). Предположим, ваш токарный станок потребляет ток в 200 А. Такую мощность не выдержит ни один электросчетчик. Но если вы подключите прибор через ТТ, рассмотренный выше, то максимальная нагрузка через счетчик не будет превышать 200/10 = 20 А.
Совсем другое дело – токи такой величины легко сможет контролировать практически любой электросчетчик. Подбирая трансформаторы с тем или иным коэффициентом трансформации, вы легко можете вести учет расхода электроэнергии практически любой мощности обычными электросчетчиками.
Как подключить ТТ к трехфазной сети
А теперь о схеме включения счетчика через ТТ. Конечно, она будет несколько сложнее конструкции прямого включения, но не настолько, чтобы в ней не разобрался человек, имеющий представление о простейших электрических цепях.
Схема подключения трехфазного счетчика через трансформаторы тока
В этой схеме электросчетчик подключен не в разрыв сетевых проводов, а ко вторичным обмоткам ТТ, которые обозначены как И1, И2. А в этот самый разрыв подключены первичные обмотки трансформатора (на схеме Л1, Л2).
Прежде чем взяться за сборку вышеприведенной схемы, необходимо четко разобраться в нескольких вопросах. От правильного их решения будет зависеть не только безопасная и долговременная работа схемы, но и ее работоспособность. Вот основные из них:
- Правильный выбор сечения монтажных проводов.
- Фазировка катушек ТТ.
Если вы не врезаете ТТ непосредственно в линию, то соединяющие провода первичной обмотки должны иметь то же сечение, что и проводка линии. Проводники, соединяющие ТТ и счетчик, конечно, могут быть тоньше, но они должны уверенно выдерживать ток, обозначенный на корпусе электросчетчика.
На фазировку (правильное подключение концов катушек) ТТ нужно обратить особое внимание. В противном случае прибор учета либо не заработает, либо будет врать, а то и закрутится в другую сторону, если он двунаправленный. Как разобраться с фазировкой? В этом поможет рисунок ниже:
Как разобраться с фазировкой? В этом поможет рисунок ниже:
Набор токовых трансформаторов для трехфазной сети
Даже если ваши трансформаторы не совсем похожи на приведенные, особой разницы нет – в любом случае все выводы обмоток маркируются единообразно. Контакты первичной, силовой обмотки отличить несложно – они гораздо мощнее контактов вторичной и расположены с противоположных сторон изделия. Маркируются они Л1 и Л2. Выводы обмотки 2, подключаемой к электросчетчику, в этом варианте исполнения закрыты прозрачной крышкой и имеют обозначение И1, И2. Если взглянуть на схему подключения счетчика, то можно увидеть, что катушки не только должны быть подключены каждая на свое место, но и правильно сфазированы:
- Л1 – на ввод питающей линии;
- Л2 – выход на нагрузку;
- И1 – на ввод счетчика;
- И2 – выход счетчика.
Что касается расцветки корпуса ТТ, она условна и служит только для удобства монтажа. Фактически все три трансформатора абсолютно идентичны.
Как быть, если в вашем доме однофазная сеть, но ток потребления слишком велик для электросчетчика? Такая ситуация достаточно редка, но она случается. И здесь выручит токовый трансформатор, причем всего один. Как подключить однофазный электросчетчик через ТТ понятно из рисунка ниже:
Схема подключения однофазного электросчетчика с трансформатором тока
Подключение счетчика электроэнергии
Проводку от вводного устройства к счётчику выполняют кабелем или изолированными проводами без каких-либо соединений (сращиваний), паек или других повреждений целостности изоляции и провода.
При монтаже электропроводки для присоединения счётчиков непосредственного включения около счётчиков необходимо оставлять концы проводов длиной не менее 120 мм.
При применении защитного автоматического отключения питания должна быть выполнена основная система уравнивания потенциалов в соответствии с 1.7.82 ПУЭ, а при необходимости также дополнительная система уравнивания потенциалов в соответствии с 1.7.83 ПУЭ.
Чем трёхфазный счётчик электроэнергии отличается от однофазного
Прежде чем описывать эту схему подключения счетчика к сети 380 Вольт необходимо дать краткое описание отличий трехфазного напряжения от однофазного. В обоих видах используется один нулевой проводник N. Разность потенциалов между каждым фазовым проводом и нулем равна 220 В, а по отношению этих фаз друг к другу – 380 В. Такая разность получается из-за того, что колебания на каждом проводе сдвинуты на 120 градусов (рисунки 3 и 4).
Однофазное напряжение используется в частных домах, на даче, а также в гаражах. В таких местах потребляемая мощность редко превышает 10 кВт. Это также позволяет использовать на участке более дешевые провода с сечением 4 мм.кв., т. к. потребляемый ток ограничен 40 А.
https://www.youtube.com/video/MSTUZSSCg2g
В случае если потребляемая мощность в сети превышает 15 кВт, то использование 3-х фазовых проводов обязательно даже, если отсутствуют трехфазные потребители, в частности, электродвигатели. В этом случае происходит распределение нагрузки по фазам, что позволяет снизить нагрузку, если бы такая же мощность забиралась от одной фазы. Поэтому в офисных зданиях и магазинах, как правило, применяют именно трехфазное питание.
Однофазные счетчики осуществляют учет электроэнергии в двухпроводных сетях переменного тока с напряжением 220В. А трехфазные — в сетях переменного трехфазного тока (3-х и 4-проводных) номинальной частотой 50 гц.
Однофазное питание чаще всего используют для электрификации частного сектора, спальных районов городов, офисных и административных помещений, в которых потребляемая мощность составляет около 10 кВт. Соответственно, в этом случае и учет электричества осуществляется с помощью однофазных счетчиков, большим преимуществом которых является простота их конструкции и монтажа, а также удобство пользования (снятия фазы и показаний).
Главное же преимущество заключается в возможности напрямую подключать трехфазные электроприборы, такие как обогреватели, электрокотлы, асинхронные двигатели, мощные электроплиты. Точнее — преимущества сразу два. Первое — при трехфазном электропитании данные приборы работают с более высокими качественными параметрами, а второе — не возникает «перекоса фаз» при одновременном использовании нескольких мощных электроприемников, поскольку всегда есть возможность подключить электроприборы к фазе, свободной от просадки через «перекос».
Наличие или отсутствие нулевого провода определяет, какой счетчик потребуется установить: трехпроводной при отсутствии «ноля», а при его наличии — четырехпроводной. Для этого есть соответствующие специальные обозначения в его маркировке — 3 или 4. Также выделяют счетчики прямого и трансформаторного включения (при токах, имеющих 100А и более на фазу).
Чтобы получить более четкое представление о преимуществах однофазного и трехфазного счетчиков друг перед другом, следует провести сравнение их плюсов и минусов.
Начнем с того, в чем проигрывает трехфазный однофазному:
- множество хлопот в связи с обязательным получением разрешения на установление счетчика и вероятность получения отказа
- Габариты. Если до этого использовалось однофазное питание с одноименным счетчиком, следует позаботиться о месте для установления вводного щита, как и самого трехфазного счетчика.
Для того, чтобы правильно подключить счётчик, необходимо знать схему его подключения. Следует отметить, что процесс подключения всех однофазных счётчиков абсолютно одинаков.
- Во-первых, счётчик подключается напрямую в силовую цепь, т.е. последовательно с подводимым питающим напряжением и электрической нагрузкой. Если рассматривать электрическую схему полностью, то она выглядит следующим образом: входное (питание) напряжение 220В – однофазный счётчик – выходное напряжение 220В – защитный автомат – переходная (соединительная) коробка – электрические потребители.
- Во-вторых, у каждого однофазного счётчика имеются четыре специальных силовых клеммы для подключения проводов. Если считать эти клеммы слева направо, то первая клемма – это приходящая фаза, вторая клемма – выходящая фаза. Третья клемма – приходящий ноль, ну а четвёртая – выходящий ноль. Т.е. у однофазного счётчика две входных и две выходных клеммы.





































