Введение
Стандартный двухкнопочный выключатель позволяет управлять двумя линиями или лампами. Он состоит из трех основных элементов:
- Корпус, который вставляется в короб в стене.
- Двух кнопок из пластика.
- Клемм или винтов для подключения кабелей (обычно состоит из трех клемм – одной входной и двух выходных).
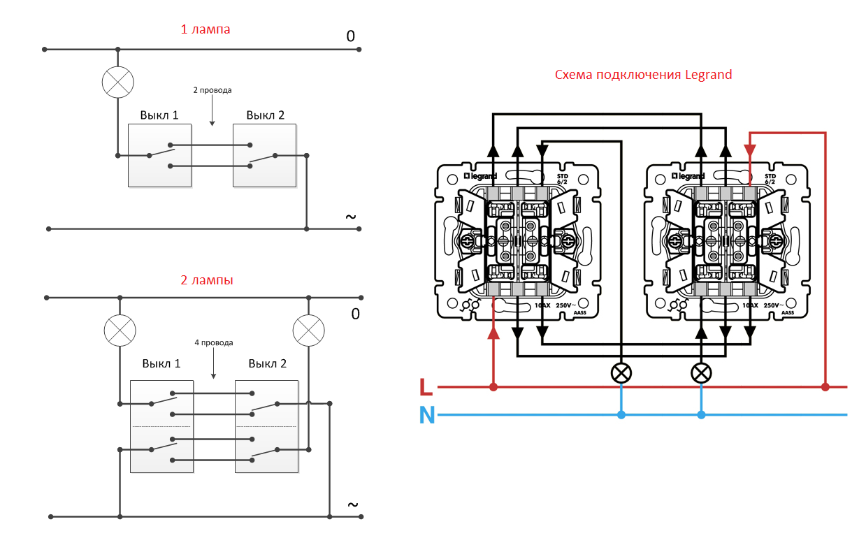
Схема подключения обычного и двойного выключателя
Принцип подключения достаточно прост и выполнить его можно одним кабелем 3*1,5 ВВГнг. Из распределительного щитка выходит один кабель (фаза), он входит в верхнюю клемму. Снизу выходят два кабеля, подключаемые к двум выходным разъемам. Они отправляются на контакты люстры или линии освещения. Нулевой кабель сразу идет к люстре из коробки – его можно выполнить даже одним проводом (но лучше вести 2*1,5 ВВГнг, чтобы подключить еще и заземление).
При нажатии на клавишу контакты замыкаются и фаза подается на одну лампу (ноль подключен постоянно). Включение второй клавиши подает фазу на вторую лампу. При размыкании контакт теряется и свет гаснет.
Схема подключения люстры на двухклавишный выключатель: инструкция по подключению
Если требуется организовать раздельное включение нескольких светильников или ламп на многосвечовой люстре, оборудование подключается к выключателям с двумя и тремя клавишами. Для многих домашних мастеров остается загадкой, почему клавиш две, а проводов больше, что вызывает, естественно, затруднения при подключении – все лампы могут зажечься, только если обе клавиши находятся в положении вкл. Сегодня мы с вами разберем, как устроена схема подключения люстры на двухклавишный выключатель. По прочтении материала вы легко сможете самостоятельно сделать всю работу правильно.
Конструкция и принцип действия двухклавишного выключателя
Принцип работы перекидных контактов такой же, как на одноклавишном устройстве. Можно вместо двухклавишного проходного выключателя использовать два одноклавишных?
А именно: появляется еще два проводка для того, чтобы при выключенном свете горел красненький индикатор на каждой из двух клавиш — так легче искать включатель в темноте. К первому выключателю подходит шесть проводов, но подключается 5, один можно оставить как резервный
При этом важно четко соблюдать схему подключения и следовать описанному алгоритму действий.
Таким образом, переключение любой клавиши приводит к размыканию одной цепи и замыканию другой.
Подсоединяем управляющие провода от вытяжки и светильника к выходам механизма коммутации, порядок подключения значения не имеет. Предлагаем вам небольшой видеоматериал по подключению переключателя с двумя кнопками: Итоги или почему лучше быть хоть немного электриком Элементарные схемы для подключения розетки или выключателя должен знать каждый уважающий себя домохозяин
Как подключать двухклавишные выключатели Рассмотрим подключение на примере двухсекционного осветительного прибора схема приведена рисунке 4. До распределительной коробки от РЩ провод ставится большим сечением с учетом суммарной мощности двух групп освещения.
Механические же клавиши привычнее для человека и позволяют тактильно прочувствовать изменение положения тумблера. Эти документы устанавливают маркировку проводов по цвету, цвет изоляции соответствует функциональному назначению проводов: Синий, голубой цвет используются как нейтральная токопроводящая жила; Желто-зеленый для заземления; Красный, белый, черный, другие цвета для фазного провода и его коммутируемых участков. Это правило действует для вводного участка, от РЩ до выключателя клеммы 1 и 2 красный провод.
Выбирайте клеммные выключатели, а не со вкручивающимися винтами, так как первый вариант соединения является более прочным и долговечным: винты нужно будет через некоторое время подкрутить. Из-за этого в домашней разводке преимущественно используется два или три проходных выключателя на один светильник.
Результатом успешной работы будут сэкономленные на электроэнергии деньги и комфорт жильцов при регулировании освещения. По окончании нужно с помощью мультиметра проверить работоспособность всех элементов системы.
Хотя, если основываться на общем количестве клемм, которых все же 6 штук, такой двухклавишный переключатель надо соединять по уже показанной выше схеме. Перед началом работы разберите выключатель, снимите с него внешние клавиши. В данной статье мы рассмотрим различные варианты подключения проходных выключателей для управления освещением с 2-х, 3-х и более мест. Можно сделать пару или целую группу выключателей, но каждый добавленный прибор значительно усложнит общую схему. Не проводите никакие работы с электропроводкой, подключенной к сети!
Двухклавишные проходные выключатели из 2-х мест. Схема подключения
Схема управления с трех мест

Установить декоративные панели устройств.

Порядок монтажа схемы с двухклавишными проходными выключателями Оба выключателя устанавливаются в подрозетники в стенах, к каждому из них подводится по два трехжильных кабеля контактов ведь 6 К каждому светильнику также подводится трехжильный кабель Концы кабелей соединяются внутри распаечной коробки согласно схеме подключения Как видите, здесь нет совершенно ничего сложного. Установить декоративные панели устройств.

К первому проходному двухклавишному выключателю подводиться фаза, а дальше согласно схеме и указаниям на самих выключателях. Рисунок 1.

Так как соединяемых проводов в распредкоробке будет четыре. Чтобы этого не делать, освещение в прихожей выключается таймером.

Если у вас проводка идет под потолком, то придется оттуда опускать провод к каждому переключателю, а потом обратно поднимать его вверх. В общем, вещь удобная и нужная. Однако выключатель с тремя клеммами здесь уже не подойдет. 2 клавишные проходные выключатели из 3 х мест схема подключения

Последовательность проведения света в комнате
- Последовательность проведения света в комнате имеет свою специфику:
- сначала нужно обесточить жилье, отключив рубильник на разъединительном щитке или автоматические выключатели проверить отключение тока можно, всунув светильник в розетку (если не горит, значит все отключено);
- перед установкой оголенные части нужно зачистить;
- проходной нулевой провод от щита необходимо объединить с двумя контактными группами;
- второй фазный провод от щита прикрепляется к проводу, идущему на общий контакт;
- цвет проводов разных групп должен быть разным (первый провод подключается к фазе одной группы светильников, второй – подсоединяется к другой группе);
- фазные провода крепятся к своим группам потребителей;
- нулевой проводок от щитка присоединяется к нулевым проводкам светильников (двухклавишный выключатель объединяет две группы потребителей);
- нужно тщательно продумать безопасность нахождения большого количества объединений, находящихся в разделочной коробке (хорошо скрутить, припаять);
- выключатель аккуратно крепится к коробке на стене (монтажная проволока очень жесткая);
- на основание прилаживается декоративная рамка, блок кнопок вставляется в пазы, надежно фиксируется с корпусом;
- Индикатор напряжения поможет проверить, правильно ли функционирует проходной выключатель.
Иногда возникает необходимость установить двухкнопочный выключатель в комплектации с розеткой. В таком случае прокладывается дополнительный участок провода от выключателя к розетке. Высота размещения устройства самая разнообразная: главное, чтобы было комфортно.
Как найти фазный провод? Чтобы правильно подсоединить двойной выключатель, следует определиться с проводами. Иногда возникают сомнения, какой провод фазный.
- Разъяснить ситуацию поможет следующий способ:
- кончики проводков аккуратно отводят в стороны (чтобы не стыкались вместе);
- включается напряжение на щитке;
- индикаторной отверткой притрагиваются к оголенным частям;
- фазный тот провод, при касании с которым загорится лампочка.
Контролировать интенсивность освещения помогают диммеры. Различают сенсорные, нажимные, поворотные. Схема установки для всех видов одинаковая.
Подключение двухклавишного выключателя с подсветкой
Все чаще выключатели производят со светящимся элементом. Это очень удобно, когда необходимо отыскать месторасположение выключателя в темной комнате. Подсветка вместо ночника укажет точное место, так как она горит тогда, когда сам выключатель находится в разомкнутом положении и света в помещении нет. Когда выключатель замыкает цепь, включая светильник, подсветка автоматически гаснет.
В качестве источника света может использоваться светодиод или неоновая лампочка. Они включаются параллельно выключателю и при разомкнутой цепи светильника находятся под напряжением, излучая свет. При замыкании контакта, напряжение на неоновой лампе/светодиоде падает до нуля, и она не светится. Особенностью выключателя с подсветкой является то, что крайне мало энергосберегающих/люминесцентных ламп могут работать с таким коммутированием. Чаще всего, протекающий через светящийся элемент ток, вызывает заметное мерцание лампы в светильнике, что абсолютно недопустимо, например, в спальне.
Никаких особенностей в монтаже выключателя с подсветкой нет. Только, если вдруг понадобится отключить подсветку, тогда снимаем декоративную крышку, вытаскиваем механизм и выпаиваем или просто откусываем кусачками один или оба контакта, идущие на источник света.
Двухконтурная люстра – схема подключения
Для более рационального расходования электроэнергии в квартирах очень часто используются светильники с двумя, а то и более, контурами. По сути, это то же самое, как подключить два выключателя на две лампочки. Схема может быть такой: одна клавиша выключателя зажигает две лампы в люстре из пяти, оставшиеся лампы включает вторая клавиша. Схема не сложная, но, тем не менее, позволяет использовать сразу три варианта освещения в комнате:
- слабый свет – первая клавиша – две лампы;
- средний свет – вторая клавиша – три лампы;
- сильный свет – обе клавиши – все пять ламп.
Как правильно подключить выключатель с двумя клавишами, показано на схеме. Нулевой провод прямо из разветвительной коробки разводится по светильникам. Разводка «нуля» по отдельным лампам, как правило, выполнена уже на заводе-производителе осветительных приборов, и электрик лишь подключает «ноль» к клемме чёрного или синего цвета.
«Фаза» же направляется на двойной выключатель, от которого приходят два провода: для первого и второго контуров.
Требования к подключению выключателя света с одной клавишей
Первое, о чем следует подумать – где расположить переключатель. Он должен располагаться в доступном месте, на удобной высоте, так, чтобы до него могли дотянуться и старшие и младшие члены семьи.
Размещение выключателя внутри шкафа – оригинальное, чисто российское ноу-хау. Но такой вариант будет вряд ли удобным для ежедневного пользования
Для люстры логично разместить прибор переключения у входной двери в комнату. Если речь идет о торшере или бра – то такие точки должны располагаться у дивана или в изголовье кровати.
Помните, что установка выключателей в ванной в принципе запрещена, как и в помещении сауны. Чтобы обезопасить членов своей семьи, устанавливайте эти приборы в коридоре.
Все варианты подключения, а их несколько, объединяет один общий элемент: наличие динамического элемента, замыкающего и размыкающего электрическую цепь. И еще одно общее правило: при монтаже одноклавишного выключателя следует проследить, что размыкалась линия фазы, а не ноля. Если этого не сделать, можно получить сильный удар током даже при простой замене лампочки в люстре.
Схема подключения одноклавишного выключателя
Проще всего устанавливать выключатели наружного типа. Простая инструкция, как подключить одноклавишный выключатель света:
| Фото | Описание работ |
![]() | В подготовленных для прокладки штробах разместите кабель с тремя жилами от распределительного щитка к коробке. Оставьте небольшой запас длины провода для соединений. |
![]() | Провод фазы красного или серого цвета зачистите и подключите к свободной клемме автомата. |
![]() | Синий провод подсоедините к шине ноль. Провод коричнево-желтого цвета – к шине заземления. |
![]() | Промаркируйте жилы провода в коробке, это значительно облегчит дальнейшую работу. |
![]() | Выключатель должен устанавливаться в удобном месте. Открытые двери не должны мешать подходу к нему. Расстояние от пола – примерно один метр. |
![]() | От коробке к выключателю подведите двухжильный провод. Оставьте запас провода для подключения. |
![]() | Серую (красную) жилу подсоедините к верхней клемме переключателя, синюю – к нижней. |
![]() | От коробки проведите еще один трехжильный провод к месту расположения люстры. |
![]() | Освободите и зачистите концы провода. Закрепите светильник на потолке. |
![]() | Подсоедините серый и синий провода к соответствующим контактам на светильнике, а провод заземления закрепите на металлическом корпусе люстры. |
![]() | Соедините провода соответствующего цвета с помощью самозажимных клемм. |
![]() | Если проводка в доме не имеет заземляющего канала или корпус светильника изготовлен не из металла, в вашей коробке будет меньше соединений. |
![]() | Соответственно, в светильнике тоже не будет провода заземления на корпусе. |
![]() | Перед подключением электричества установите клавиши на переключатель. |
После того, как работа будет завершена, проверьте работу прибора. Подключите на щитке электропитание и попробуйте включить и выключить свет. Если не пошел дым и не погас свет во всем подъезде – у вас получилось. Если пошел и погас – зовите знакомого электрика, пока соседи не вычислили виновника аварии.
Подключение люстры к двойному выключателю на 5 лампочек
Схема подключения люстры на пять лампочек считается более сложной из-за большого количества проводов, с которыми нужно правильно разобраться. Используемый при этом двухклавишный выключатель позволяет регулировать освещение, в том числе и степень его интенсивности. Лампы работают поочередно отдельными группами, позволяя существенно экономить электроэнергию.
Схема подключения предполагает определенный порядок действий. Прежде всего нужно определиться с общим проводом, выходящим из люстры , который является нулевым. Его нужно пометить изолентой, чтобы в дальнейшем не перепутать с другими проводниками.
Из отверстия в потолке также выходит нулевой провод, на котором отсутствует напряжение. Проверка каждого проводника осуществляется с помощью индикатора. Провода, находящиеся под напряжением, будут фазными. Нулевую жилу нужно также пометить изолентой. После этого люстру можно подвешивать на крюк и соединять провода.
Вначале соединяются нулевые жилы, а затем – фазные. При включении первой клавиши загораются два светильника, а вторая клавиша включает остальные три лампочки. Они могут включаться поочередно или все вместе. Если с первого раза не удалось добиться желаемого результата, необходимо вновь отключить электричество и поменять порядок соединения фазных проводов.
Данная схема подключения позволяет легко управлять освещением в помещении. Многое зависит от мощности и типа используемых лампочек. Размеры люстры должны соответствовать площади помещения, где планируется ее установка.
Немного теории
Такая процедура, как установка и подключение люстры, требует определённых знаний о выключателях и проводах, с которыми придётся работать.
Подключение люстры к двойному выключателю, а не к одноклавишному, заложено в конструкции самого осветительного прибора. Три провода (с окрашенной или белой изоляцией), выходящие из потолка, также говорят об этом.
Жгут разноцветных проводов, в том числе отходящий от купленной люстры, несёт определённую информацию.
В ЕС маркировка проводов цветом закреплена стандартом МЭК 60445 от 2010 г, в РФ – ГОСТом Р 50462 от 2009г. Выглядит она так.
Разводка электросети кабелями для бытовых помещений марки NYM, ВВГ, ВВГнг (негорючий) в современном частном доме также соответствует этим нормам. Если это не так, то сеть надо прозвонить – определить назначение жил двух, трёхпроводного провода.
Это делается с помощью отвёртки со световым индикатором фазы. Фазовый проводник зажигает светодиод в отвёртке. Фиксирование результата цветным перманентным маркером или цветной изолентой обязательно.
Для освещения прокладывается кабель с 3 проводниками сечением 1.5 мм2. Сечение нулевого и фазного проводников должны быть одинаковыми. Преимущество отдаётся медным проводам: они обладают большей электропроводностью, не окисляются, долговечные, гибкие. Если перед подключением новой люстры есть возможность заменить алюминиевую проводку медной, это стоит сделать.
Максимальная мощность прибора освещения не должна превышать величину, указанную в таблице. Информация содержится в инструкции к люстре, наличие которой обязательно.
Запас прочности (отнимите от полученной мощности 20%) не помешает. Цель – застраховаться от провода меньшего сечения, некачественной меди
При старой проводке такая осторожность более чем оправдана
Также предстоит соединить провода (из одинакового металла), выходящие из потолка, с проводами люстры. Обычная скрутка с помощью пассатижей даже не рассматривается (запрещена п.2.1.21 ПУЭ). Работать с паяльником под потолком – сомнительное удовольствие, да и доступно не каждому.
Владельцу частного дома необходимо иметь колодки, СИЗы, наконечники НШВИ, климпер или самозажимные клеммы.
Когда с потолка приходит алюминиевый провод, а на люстре медный, соединять их следует только с помощью клеммных колодок, зажимов «орех» или самозажимных клемм «WAGO» с пастой «Alu-plus».
В дальнейшем под словом «соединяем» понимается как раз такое соединение проводов между собой.Конечно, все работы с приборами, проводами, надо производить при отключённой в помещении сети.
Промежуточный итог: владеем теоретической информацией, современными материалами, инструментом.
Монтаж предустановочных элементов схемы
Начнем с установки распределительной коробки. В последующих этапах монтажа в ней мы соберем все необходимые для выполнения схемы провода, а затем, соединим их жилы в определенной последовательности.

Так же, нам понадобиться защитное устройство, которое будет защищать цепь освещения от токов короткого замыкания и перегрузок. Обычно, оно устанавливается в силовом квартирном щитке, но в нашем случае, для большей наглядности, установим его на рейку рядом со схемой.

Теперь, монтируем подрозетник, в него мы установим двухклавишный выключатель.
Каким образом производиться реальный монтаж, вы можете посмотреть на нашем сайте в соответствующих инструкциях, монтаж подрозетнков по бетону и по гипсокартону.

Основные элементы подготовлены, переходим к монтажу провода.
Полезные видео по теме

На страницах сайта я уже публиковал материал как подключить проходной выключатель, где рассматривалась схемы подключения как одноклавишных, так и двухклавишных проходных выключателей с двух, трёх и более мест установки.
Кому лень переходить на другую страницу напомним схему подключения двухклавишного выключателя освещения в режиме нормальной работы. Ничего заумного. Перекидные контакты как в одноклавишном только на две разделённые группы
Так выглядит цепочка состоящая из двух одноклавишных и парочки двухклавишных проходных переключателей. Это для примера. Такая цепь может например применяться в длинных офисных коридорах. В ряде случаев его так и называют проходной коридорный выключатель света.

В данной статье речь пойдёт о схеме, по которой можно подключить двухклавишный выключатель проходного типа как обычный на две группы включения освещения.
Зачем это нужно? – опять же практика
Недавно проводя по заявке электромонтажные работы по переносу в квартире розеток и выключателей, на финишной прямой, когда дело дошло до установки коммутационных устройств выяснилось, что заказчик в спешке купил проходные двухклавишные выключатели, вместо обычных не обратив внимание на стрелочки указанные на клавишах. Ехать менять клиент не захотел, лишь прокряхтел – «Ну может как-нибудь, а?»
Помарковав со схемкой, подключил проходной двухклавишный выключатель Рис.1 в работу обычного, установив в штатной схеме перемычку между двумя контактными группами. Указательные стрелки на клавишах выключателя заказчика не смутили, а даже наоборот показались к месту. В общем все стороны остались довольны.
Может данная наглядная схема подключения проходного двухклавишного выключателя в режим обычного кому-нибудь и пригодится.

Собрать такую несложную схемку подключения с использованием одной перемычки своими руками сможет любой домашний мастер.
Схема проходного двухклавишного выключателя с двух мест Как подключить двухклавишный проходной выключатель с двух мест И так как теперь по любому все резко стало ясно, переходим к порядку монтажа нашей схемы с двухклавишными проходными выключателями. Важным этапам монтажа схем подобной сложности является правильная маркировка всех кабелей и отдельных их жил проводов.
Рисунок 1. Теперь его можно выключать сразу, а освещение отключит таймер через 2 минуты. Как подключить двухклавишный проходной выключатель
https://youtube.com/watch?v=rg0J-caHDjQ
Рассоединяете их, и подключаете между ними перекидной. На практике такие приспособления используются для того, чтобы включить освещение в одной точке, пройти с комфортом определенный участок и выключить свет в другой точке, не возвращаясь . Электроустановочные изделия хорошего качества имеют не только современный вид, но и служат долго, а также легко монтируются. Когда монтаж системы освещения закончен, все цепи нужно проверить контрольными приборами.
Этот провод подключается к корпусу светильника. Инструкции Cхема подключения двухклавишного проходного выключателя переключателя Двухклавишный проходной выключатель представляет собой объединенные в одном корпусе два одиночных проходных переключателя. Давайте сначала рассмотрим схему подключения одноклавишного перекидного выключателя, а затем — двухклавишного. 
Оттого и сами контакты, и принцип работы коммутаторов с ними так же именуются перекидными. подключение проходного двух клавишного выключателя
Известные производители проходных переключателей
Компания Легранд занимает лидирующую позицию на рынке электротоваров. Востребованность проходных выключателей Legrand обусловлена высоким качеством исполнения изделий, простотой монтажа, удобствами в дальнейшей эксплуатации, стильным дизайном и гибкой ценовой политикой. Единственным недостатком является необходимость в подгонке установочного места. Если оно не будет совпадать с изделием, могут возникнуть трудности при его монтаже, который выполняется согласно схеме подключения проходного выключателя Легранд.
Проходные переключатели фирмы Legrand
Дочерним предприятием Легранд является китайская компания Lezard. Однако от родного бренда у изделий остался лишь стильный дизайн. Качество сборки намного ниже, что обусловлено низкой стоимостью продукции.
Одним из ведущих отечественных производителей электротоваров считается компания Wessen, которая является частью фирмы Schneider Electric. Все изделия изготавливаются по новейшим технологиям на современном зарубежном оборудовании и соответствуют европейским стандартам качества. Модели обладают универсальным стильным дизайном, позволяющим вписать каждый элемент в любой интерьер помещения. Отличительной чертой выключателей Wessen является возможность замены декоративной рамки без демонтажа устройства.
Еще одним не менее известным производителем является турецкая компания Viko. Изделия характеризуются высоким качеством исполнения, надежностью и долговечностью, соответствуют требованиям электробезопасности и европейским стандартам качества. При изготовлении корпуса устройства применяется пожаробезопасный прочный пластик, который рассчитан на большое количество циклов работы.
У проходного выключателя, в отличие от обычного, три проводимых провода
Турецкий бренд Makel предлагает качественную, надежную, безопасную и стильную продукцию. Благодаря возможности подключения шлейфа без надобности задействования распределительной коробки, монтаж выключателей становится более простым, а дальнейшая эксплуатация – комфортной и безопасной.
Популярный модельный ряд проходных переключателей
Проходные выключатели Легранд из серии Velena отличаются стильным дизайном и многообразием цветовых вариаций. Здесь представлены одно и двухклавишные изделия, которые имеют пыле- и влагозащитный слой. Купить выключатель можно от 300 р.
В серию Celiane вошли изделия, у которых круговые клавиши вписаны в квадрат. Они могут быть бесконтактными с рычажками или бесшумными. Стоимость переключателей начинается от 700 р. Модельный ряд Exclusive Celiane представлен ограниченным количеством выключателей, выполненных вручную из мрамора, бамбука, фарфора, золота, мирта и других материалов. Рамки выполняются исключительно на заказ. Цена за изделие начинается от 5,9 тыс. р.
Цветовые решения для переключателей из серии Celiane
Самыми популярными сериями выключателей от компании Lezard являются Demet, Mira и Deriy. Здесь представлены изделия, выполненные из негорючего поликарбоната, что соответствует требованиям электробезопасности. Токопроводящие элементы изготовлены из фосфорной бронзы, что характеризуется высокой проводимостью и низким подогревом. Купить проходной одноклавишный выключатель можно от 125 р.
В серии W 59 Frame от Wessen используется модульный принцип, позволяющий установить от 1 до 4 устройств в одну рамку горизонтально или вертикально. Цена изделия составляет 140 р. Отличаются простым дизайном, но высоким качеством исполнения одинарные и двойные проходные выключатели из серии Asfora, купить которые можно за 450 р.
Среди популярных серий компании Makel можно выделить Defne и Makel Mimoza. Корпус устройств выполняется из высококачественного пластика, оснащенный внутренним надежным механизмом. Стоимость изделий начинается от 150 р.
При нажатии кнопки вкл/выкл подвижный контакт проходного выключателя перекидывается из одного контакта на другой, создавая при этом условия для новой цепи в дальнейшем
Принцип работы и установка коммутирующих устройств не представляют существенных сложностей. Необходимо предварительно изучить схему подключения и следовать рекомендациям правил электробезопасности, что даст возможность осуществить надежный и безопасный монтаж устройств, тем самым обеспечит удобное и комфортное управление осветительными приборами в доме.
Как подключить проходной выключатель: видео схемы подключения
Переделка двойного выключателя в тройной прибор
Чтобы с наибольшей пользой использовать коммутирующие изделия, некоторые пользователи пытаются из двойного выключателя сделать тройной. Такая переделка не нуждается в особых усилиях и в больших затратах времени. Потребуется просто заменить двойной прибор новым образцом:
- Приобрести в магазине выключатель с тремя клавишами.
- Демонтировать старое двойное изделие.
- На его место установить новый тройной переключатель.
Можно попытаться скрыть ее в толще стен, но процедура штробления связана с большими трудозатратами на проделывание канавок под кабель. Гораздо дешевле и проще проложить от розетки до коробки, а от нее до люстры отрезки пластикового кабельного канала. После его фиксации на стенах (крышки предварительно удаляются) отрезки провода прокладывают до нужных мест, а затем подсоединяют к свободным клеммам. По завершении монтажа останется закрыть кабельные каналы крышками и проверить выключатель на работоспособность
Трехклавишные выключатели – универсальные приборы, посредством которых удается существенно расширить функциональные возможности коммутирующих узлов.
Для чего нужно подключать двойной выключатель на две лампочки
Основная причина использования двойных выключателей – это оптимизация применения электрооборудования, которое подключается к одной цепи. В качестве самого яркого примера оптимизированного контура можно привести стандартную организацию освещения для раздельного санузла. При этом со стороны прихожей происходит установка одного клавишного выключателя. Как результат, управлять освещением в туалете можно с помощью одной клавиши, а в ванной – с помощью другой.
Благодаря такому выключателю появляется возможность одним движением одновременно выполнять два действия – это включение освещения в одной комнате, и выключение света в другой.
Схема подключения двухклавишного выключателя на две лампочки при наличии в сети заземляющего проводника
Однако устанавливать выключатель общего типа необходимо лишь в случае, когда они находятся рядом. Если же комнаты находятся на расстоянии, то лучше использовать стандартные отдельные установки, чтобы не было путаницы.
И если вы задаетесь вопросом, как подключить двойной выключатель на две лампочки, то помимо схемы подключения, вам необходимо изучить, какие инструменты для этого необходимы, как подготовиться к установке, и как ее непосредственно произвести. Давайте более подробно остановимся на каждом из пунктов.
Схема подключения люстры с двойным выключателем на 4 лампочки
В классическом варианте рассматривается люстра с четырьмя лампочками, двухклавишный выключатель и три провода, выходящие из отверстия в перекрытии. В новых домах предусматривается еще и четвертый – заземляющий провод, используемый при наличии в люстре такого же проводника. Все соединения выполняются путем скрутки и затем тщательно изолируются.
Подключение может быть выполнено в двух вариантах. В первом случае схема будет выглядеть как 1+3, то есть поочередно включается одна или сразу три лампочки. Вторая схема представляет собой 2+2, когда по очереди включаются две лампочки. Этот способ не совсем экономичный и применяется для освещения больших помещений, когда одной лампы недостаточно, а трех – слишком много. Одновременное нажатие обеих клавиш позволяет включать сразу все четыре рожка.
Для этого существуют определенные схемы подключения. Провод входящей фазы от сети через распределительную коробку соединяется с проводником, уходящим к выключателю. Далее выполняется его подключение к контакту входа, где он и находится постоянно. Вторая жила, соединенная с контактом клавиши, уходит к распределительной коробке и соединяется с проводом, подведенным к месту установки люстры . В этом месте провода сети и светильника соединяются между собой.
Таким же образом подключается контакт другой клавиши. Разница между правой и левой клавишей заключается в количестве фазных проводов от люстры , соединяемых с каждым из проводов сети. Нулевые провода также соединяются друг с другом. Варианты подключения можно регулировать, чтобы сделать использование осветительного прибора максимально удобным.
Как работает раздельное питание люстры?
Чтобы понимать в какой последовательности подключать провода в выключателе, нужно разобраться в том, как электричество бежит через люстру, питая лампы. В этой главе мы с вами и займемся этим вопросом.
Строение люстры
Какой бы сложной не была электрическая часть прибора, она всегда будет заканчиваться выводами из двух, трех или четырех проводов. Самые простые могут подключаться только 2-мя проводами. Количество клемм ничего нам не говорит об их назначении. Давайте разберем эту тему подробно.
Клеммная колодка в основании люстры
На фотоснимке выше вы можете видеть классическую клеммную колодку, из которой выходит два цветных провода.
Итак, один провод – это рабочая фаза, обозначенная латинской буквой L (черный провод, хотя может быть и любой другой), а второй это нуль – буква N (во всех схемах для него используются провода синего цвета). По сути, лампе все равно, на какой контакт ей подать фазу, гораздо важнее, какой из проводов пойдет на выключатель
Схема подключения светильников к двухклавишным выключателям
Внимательно изучите представленную схему – нас интересуют серые линии, обозначающие фазу. Сразу становится понятным, что именно они тянутся к двухклавишному выключателю. Это очень важный момент, так как некоторые электрики не соблюдают этого правила и пускают туда нуль.
Возвращаемся снова к нашей люстре с двумя проводами. Для ее подключения нужен одноклавишный выключатель, который будет разрывать фазный провод, идущий из распределительной коробки. Нуль при этом протянется прямиком в коробку – ему выключатель не требуется, где подсоединится к общему нулю домовой сети. Все предельно просто и понятно.
Светильник с 3-мя проводами
На фото показано основание бра, но это никакого значение не имеет, принцип работы и подключения у прочих светильников с люстрами одинаковый. Тут мы видим, что из корпуса прибора выходит три провода. Синий мы уже знаем – это нуль, с черным тоже все понятно, а вот желто-зеленого раньше не было.
Заземление мы можем подключить только в том случае, если оно предусмотрено в домовой электрической сети. В распределительной коробке будет выведена общая земля, к которой будут сходиться желто-зеленые провода ото всех электрических точек дома.
Фактически, схема подключения такой люстры ничем не отличается от описанной ранее, и для нее требуется одноклавишный выключатель.
Люстра с 6-ю проводами
На фото показана люстра на несколько свечей. Так как от каждого цоколя идет по два провода, все их выводы будут тянуться в основание прибора, хотя в хороших люстрах всю схему запитки производитель делает сам и зачастую прячет ее в скрытой части корпуса.
Теперь посмотрите, как скручены друг с другом провода – они соединены вместе по цветам. Фактически, они образуют те же два провода, про которые мы писали выше. То есть при таком соединении вам также понадобится только одноклавишный выключатель.
Схема на три провода
Последний вариант, когда из люстры выходит три провода, не считая заземление, либо же вы самостоятельно делаете такую скрутку – ее пример показан на фото выше. Давайте его внимательно рассмотрим. Мы видим, что все нулевые провода соединены вместе и подключены к одной клемме «Ваго». Вот вам яркий пример того, как не соблюдается цветовая маркировка. Фазные провода разделены в определенном порядке, скорее всего, через один, и подключены к двум клеммам. Такая схема нам подсказывает, что на люстру для зажигания всех свечей нужно подвести две отдельные фазы. Именно это и можно реализовать посредством двухклавишного выключателя.

















































